Toro Push Mower Parts List : 31 Toro Push Mower Parts Diagram - Wiring Diagram List / 22in lawn mower (24 pages).

Info Populer 2022

Toro Push Mower Parts List : 31 Toro Push Mower Parts Diagram - Wiring Diagram List / 22in lawn mower (24 pages).

Toro Push Mower Parts List : 31 Toro Push Mower Parts Diagram - Wiring Diagram List / 22in lawn mower (24 pages).
Toro Push Mower Parts List : 31 Toro Push Mower Parts Diagram - Wiring Diagram List / 22in lawn mower (24 pages).

Toro Push Mower Parts List : 31 Toro Push Mower Parts Diagram - Wiring Diagram List / 22in lawn mower (24 pages).. Keep your toro mower running smoothly, season after season. Toro push lawn mowers are amongst the top in quality and affordability. You know the process was not easy at all. Find low price on toro push lawn mowers parts. Lawn mowers └ lawn mowers └ garden & patio all categories antiques art baby books, comics & magazines business, office & industrial cameras & photography cars, motorcycles & vehicles clothes, shoes & accessories coins collectables computers/tablets & networking crafts dolls & bears dvds.

Find low price on toro push lawn mowers parts. Top 4 toro push mower reviews. The toro recycler gas push lawn mower was easy to assemble by attaching the handle bar, attaching the bag (but not achieving a tight seal at the top) and adding in the oil ( provided) and gas. Toro build great machines, i know because i inherited an old toro push mower that still runs like you wouldn't believe. A product cover will help protect your mower from the elements, dust and dirt;

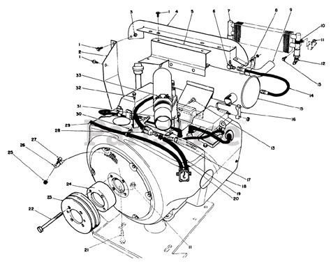
31 Toro Push Mower Parts Diagram - Wiring Diagram List
31 Toro Push Mower Parts Diagram - Wiring Diagram List from az417944.vo.msecnd.net
Free delivery and returns on ebay plus items for plus members. Default sorting sort by popularity sort by latest sort by price: Toro mower side discharge chute toro riding lawn mower parts toro riding lawn mowers are mechanically similar in many ways to a push mower, and if. Craftsman lawn mower carburetor repair kit suvidhamart toro push mower parts manual. Account & lists account returns & orders. Get the best deals on toro push lawn mowers. Click here for more information. Some parts are plastic but that makes it lighter and easier to push.

Page 2 ordering replacement parts to order replacement parts, please supply the part number, for example, a wheel assembly might be identified by the quantity, and the description of each part desired.

Shop with afterpay on eligible items. 22in lawn mower (24 pages). Vintage 1955 toro 27 'star lawn' power reel mower owner manual & parts list! Comparison shop for toro rear wheel lawn mowers & tractors in home & garden. Using a sharp, genuine toro mower blade will help produce a crisp, quality of cut; This guide covers all the common causes of a no start toro pretty well. Get great deals on ebay! We gave our best effort to make this comprehensive list. You know the process was not easy at all. We have oem toro parts available with aftermarket alternatives that can save you money. The best way to buy repair parts for your toro is to begin by searching for your toro model number. .snapper mowers, simplicity mowers, push mowers, zero turn mowers, stihl chainsaws, stihl parts, echo trimmers, echo blowers, honda parts, honda gx parts, small engine repair, paint sprayers, graco parts, titan parts, billy goat parts, billy goat blowers, claussen aerators, mantis tillers, briggs air filters. Craftsman lawn mower carburetor repair kit suvidhamart toro push mower parts manual.

Buy superb toro mower parts on alibaba.com at irresistible discount deals. We also offer exmark, toro and classic wheel horse replacement parts and service. We have oem toro parts available with aftermarket alternatives that can save you money. Watch list expand watch list. Low to high sort by price:

1954 TORO MOWER OPERATING PARTS MANUAL MODEL WHIRLWIND 20 ...
1954 TORO MOWER OPERATING PARTS MANUAL MODEL WHIRLWIND 20 ... from i.ebayimg.com
Use our part lists, interactive diagrams, accessories and expert repair advice to make your repairs easy. Lawn mower toro recycler 20372 operator's manual. Select a model number to pass to the search box. 50 timecutter mx5050 zero turn lawn mower toro. Default sorting sort by popularity sort by latest sort by price: Page 2 ordering replacement parts to order replacement parts, please supply the part number, for example, a wheel assembly might be identified by the quantity, and the description of each part desired. Using a sharp, genuine toro mower blade will help produce a crisp, quality of cut; You know the process was not easy at all.

Toro mower parts diagram general wiring diagram.

Homeowners, professional landscapers and everyone in between can enjoy the features of a toro mower. Toro lawn mowers parts manual free kohler parts list download. .snapper mowers, simplicity mowers, push mowers, zero turn mowers, stihl chainsaws, stihl parts, echo trimmers, echo blowers, honda parts, honda gx parts, small engine repair, paint sprayers, graco parts, titan parts, billy goat parts, billy goat blowers, claussen aerators, mantis tillers, briggs air filters. Toro mower side discharge chute toro riding lawn mower parts toro riding lawn mowers are mechanically similar in many ways to a push mower, and if. You know the process was not easy at all. Toro mowers have received more editor's choice recommendations from than with roots dating back to 1914, toro was built on a tradition of quality, long lasting products and innovative features to make your mowing experience. The mower boasts a mighty briggs and stratton. We also offer exmark, toro and classic wheel horse replacement parts and service. A new or used toro push lawn mower on ebay can make it easy to keep your grass looking pristine with minimal effort. A product cover will help protect your mower from the elements, dust and dirt; Toro mower parts diagram general wiring diagram. Get fast shipping and low prices from power mower sales! Keep your mower running smoothly, season after season with genuine toro parts and accessories.

Get great deals on ebay! Toro lawn mowers parts manual free kohler parts list download. Toro mower parts diagram general wiring diagram. Related searches for toro push mower manuals toro push mower parts manualtoro push mower partstoro lawn mowers manualstoro push mower parts diagramtoro push mower electric starttoro push mower battery replacementtoro push mower parts amazontoro lawn mowers parts manual. We can provide oem and aftermarket parts for briggs and stratton here's a newer toro push lawn mower.

28 Toro Lawn Mower Parts Diagram - Wiring Diagram List
28 Toro Lawn Mower Parts Diagram - Wiring Diagram List from az417944.vo.msecnd.net
Lawn mower toro recycler 20372 operator's manual. The toro recycler gas push lawn mower was easy to assemble by attaching the handle bar, attaching the bag (but not achieving a tight seal at the top) and adding in the oil ( provided) and gas. This guide covers all the common causes of a no start toro pretty well. We sell only genuine toro parts. Additional lawn mower repair, troubleshooting tips, help with finding your model number, and part replacement videos: Homeowners, professional landscapers and everyone in between can enjoy the features of a toro mower. Top 4 toro push mower reviews. Get great deals on ebay!

Some parts are plastic but that makes it lighter and easier to push.

A new or used toro push lawn mower on ebay can make it easy to keep your grass looking pristine with minimal effort. Top 4 toro push mower reviews. Comparison shop for toro rear wheel lawn mowers & tractors in home & garden. This guide covers all the common causes of a no start toro pretty well. We can provide oem and aftermarket parts for briggs and stratton here's a newer toro push lawn mower. Additional lawn mower repair, troubleshooting tips, help with finding your model number, and part replacement videos: Low to high sort by price: Find low price on toro push lawn mowers parts. We have oem toro parts available with aftermarket alternatives that can save you money. You know the process was not easy at all. Use our part lists, interactive diagrams, accessories and expert repair advice to make your repairs easy. Vintage 1955 toro 27 'star lawn' power reel mower owner manual & parts list! Account & lists account returns & orders.

Advertisement

Iklan Sidebar